Toggle navigation
О нас
Оргтехника
Запчасти
Расходные материалы
Доставка и оплата
Новости
Статьи
Контакты
Info@kupizip.ru
Личный кабинет
0
КупиЗип
Запчасти
Ricoh
Aficio SP 4210N
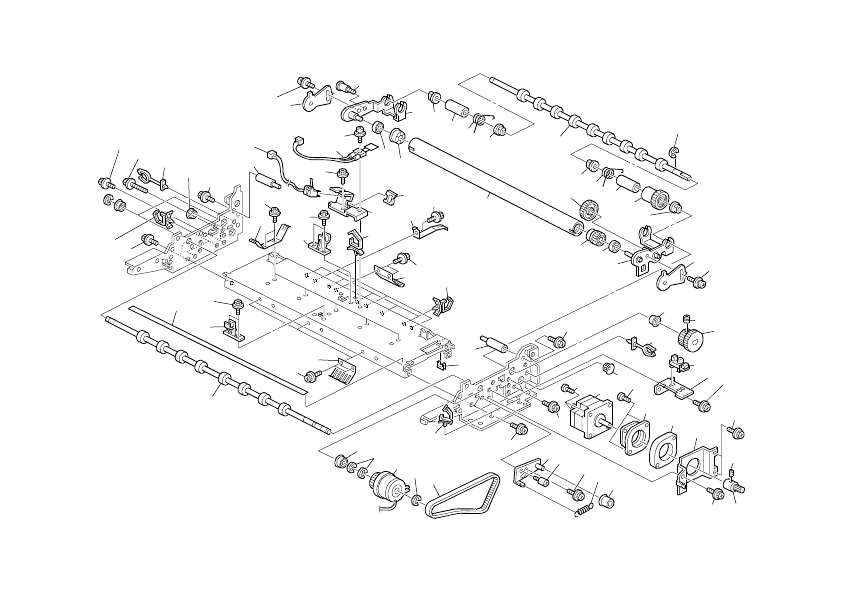
Optical Section 5 (B188)
Запчасти для МФУ Ricoh Aficio SP 4210N *
Бренд
Ricoh
Konica Minolta
Kyocera
Применить
Сбросить фильтр
Схема узла
Optical Section 5 (B188)
Лупа
22
104
12
13
103
9
102
6
7
8
113
10
101
101
3
101
5
112
4
101
20
18
21
22
20
20
22
24
25
17
23
20
109
107
14
15
16
107
19
12
104
112
6
114
101
108
116
26
115
27
28
101
105
1
29
106
30
31
32
101
116
33
101
101
101
112
34
35
102
36
37
108
109
109
11
38
101
4
101
3
2
101
112
108
109
101
110
111
1
101
39
Лупа
Элементы схемы
1
Bushing
Арт
.: G0241473
На складе
: 0
Запросить
2
Транспортный вал оригинала, Transport Roller-Original
Арт
.: AF020611
На складе
: 0
Запросить
3
Втулка рычага, Arm Bushing
Арт
.: A1636081
На складе
: 0
Запросить
4
Ground Plate - Fusing
Арт
.: A2941134
На складе
: 0
Запросить
5
Grounding Plate - Lower Guide Plate
Арт
.: B0106054
На складе
: 0
Запросить
6
Guide Plate Stud
Арт
.: AA143770
На складе
: 0
Запросить
7
Датчик подачи бумаги, Paper Feed Sensor
Арт
.: AW020167
На складе
: 0
Запросить
8
Bracket:Paper Feed Sensor
Арт
.: B1886287
На складе
: 0
Запросить
9
Термистор заряда, Thermistor-Charge
Арт
.: AW100101
На складе
: 0
2 815.20 руб.
В корзину
10
Grounding Plate - Lower Rear
Арт
.: B0106055
На складе
: 0
Запросить
11
Магнитная муфта:48 зубьев, Magnetic Clutch-48t
Арт
.: AX260007
На складе
: 0
Запросить
12
Control Plate:Roller:Exposure
Арт
.: B1884604
На складе
: 0
Запросить
13
Shoulder Screw - Pressure Arm
Арт
.: AA143139
На складе
: 0
Запросить
14
Держатель ролика экспонирования, Holder-Roller-Exposure-Left
Арт
.: B1886110
На складе
: 0
Запросить
15
Вал сканера, Platen Roller
Арт
.: AF021056
На складе
: 0
Запросить
16
Шестерня - 28 зубьев, Gear-28z
Арт
.: B1886111
На складе
: 0
Запросить
17
GEAR - 28Z, Gear - 28Z
Арт
.: AB013992
На складе
: 0
Запросить
18
Arm:Roller:Exposure:Left
Арт
.: B1884600
На складе
: 0
Запросить
19
Arm:Roller:Exposure:Right
Арт
.: B1884602
На складе
: 0
Запросить
20
Втулка 8 мм, Bushing - 8mm
Арт
.: AA082176
На складе
: 0
Запросить
21
Spacer - Spring
Арт
.: AA132063
На складе
: 0
Запросить
22
Spring:Roller:Exposure
Арт
.: AA066361
На складе
: 0
Запросить
23
Транспортный вал оригинала - задний., Original Transport Roller - Rear
Арт
.: AF020534
На складе
: 0
Запросить
24
Exposure Arm Sleeve
Арт
.: AA132210
На складе
: 0
Запросить
25
Gear - 28Z
Арт
.: A1744598
На складе
: 0
Запросить
26
Gear Pulley - 38Z/48T
Арт
.: AB017526
На складе
: 0
Запросить
27
Фотопрерыватель -LG248NL1, Photointerruptor-Lg248nl1
Арт
.: AW020234
На складе
: 0
560.97 руб.
В корзину
28
Bracket:Set Sensor
Арт
.: B1886108
На складе
: 0
Запросить
29
Stepper Motor:DC24V 14.4W
Арт
.: B1886125
На складе
: 0
Запросить
30
Cushion - Stepper Motor
Арт
.: A1341724
На складе
: 0
Запросить
31
Spacer:Stepper Motor
Арт
.: B1886122
На складе
: 0
Запросить
32
Bracket:Stepper Motor
Арт
.: B1886123
На складе
: 0
Запросить
33
Timing Pulley - 15-
Арт
.: AB030675
На складе
: 0
Запросить
34
Tightener
Арт
.: B1886126
На складе
: 0
Запросить
35
Stud - M4
Арт
.: 59183120
На складе
: 0
Запросить
36
Spring:Tightener
Арт
.: AA066363
На складе
: 0
Запросить
37
Belt Tightener
Арт
.: AB030098
На складе
: 0
Запросить
38
Timing Belt - B100S2M434
Арт
.: AA043557
На складе
: 0
Запросить
39
Seal:Toner Cartridge:Front
Арт
.: B1253220
На складе
: 0
Запросить
101
Креппёжный винт М4х8100 шт./уп., Tapping Screw-4x8
Арт
.: 04544008N
На складе
: 0
10 264.10 руб.
В корзину
102
Винт - M3X8 (100 шт. в упаковке), Tapping Screw - M3x8
Арт
.: 08025312
На складе
: 0
Запросить
103
Pan Head Screw:M3x14
Арт
.: 03130140N
На складе
: 0
Запросить
104
Screw:Polished Round:M4x6
Арт
.: 09514006N
На складе
: 0
Запросить
105
Pan Self-tapping Screw:4x12
Арт
.: 04340120N
На складе
: 0
Запросить
106
Pan Head Screw:M4x25
Арт
.: 03140250N
На складе
: 0
Запросить
107
Шариковый подшипник 8х22х7, Ball Bearing - 8x22x7
Арт
.: 07403008
На складе
: 0
1 154.03 руб.
В корзину
108
Шариковый подшипник - 8X16X5, Ball Bearing - 8x16x5mm
Арт
.: 08053368
На складе
: 0
1 527.66 руб.
В корзину
109
Дистанционное кольцо М6 (100 штуквупаковке), Retaining Ring - M6
Арт
.: 07200060E
На складе
: 0
1 302.03 руб.
В корзину
110
Tapping Screw - M4x20
Арт
.: 04514020N
На складе
: 0
Запросить
111
Clamp
Арт
.: 11050348
На складе
: 0
Запросить
112
Контактный зажим кабеля- LWS-0306ZC, Harness Clamp - LWS-0306ZC
Арт
.: 11050758
На складе
: 0
470.93 руб.
В корзину
113
Harness Clamp - ES-0505
Арт
.: 11050328
На складе
: 0
Запросить
114
Краевая направляющая - LES0510, Edge Saddle - LES0510
Арт
.: 11050723
На складе
: 0
519.57 руб.
В корзину
115
Harness Clamp
Арт
.: 11050462
На складе
: 0
Запросить
116
Hexagon Headless Set Screw - M5x5
Арт
.: 05750050E
На складе
: 0
Запросить
* Эти запчасти используются также в: Ricoh Aficio 480W